關於我們
公司簡介
經營理念
廠區介紹
產品介紹
液壓鑿岩機系列
錨固/水井系列
取芯/地質鑽探系列
聲波動力頭系列
多功能動力頭系列
岩鑽系列
旋噴系列
雙廻轉系列
旋挖系列
液壓打樁錘系列
齒輪減速機系列
螺旋鑽系列
高頻破碎錘
液壓破碎錘
多功能鑽機系列
挖機臂架改造
應用案例
企業影片及其他
旋挖鑽機應用案例
液壓鑿岩機應用案例
錨固鑽機應用案例
螺旋鑽應用案例
旋噴動力頭應用系列
合作客戶
客戶合照
合作品牌
最新消息
公司新訊
產業動態
常見問題
資料下載
聯絡我們
詢價清單
English
首頁
旋挖系列
首頁
產品介紹
旋挖系列
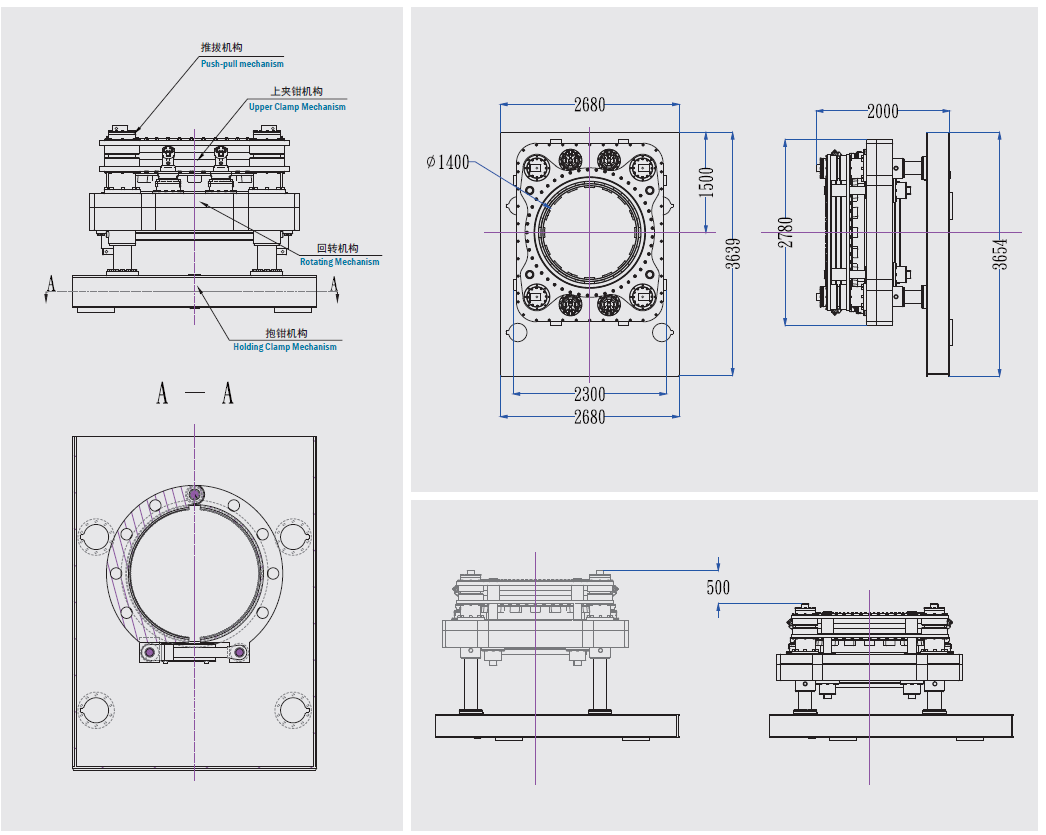
YRT140 全迴轉動力頭
可根據實際需求客製
數量
加入詢價車
產品說明
Instructions
集成彎管結構(一體式反循環系統)
結構緊湊、排渣高效。
採用大扭力擺線馬達驅動,扭矩強勁、適應性強
產品參數
Parameter
產品影片
Product video
關聯產品
強勁動力,專為大型基礎工程打造
查看
YDR1000T 旋挖動力頭
立即購買!
可夾持直徑127mm以下的圓鑽桿和三菱鑽桿。
查看
YDR25000 大扭矩 高轉速 旋挖動力頭
立即購買!
適用於採樣、旋削鑽孔等工況。
查看
YDR4006 旋挖動力頭
立即購買!
商品已
加入詢價車
YRT140 全迴轉動力頭
可根據實際需求客製
繼續詢價
前往詢價