產品說明 Instructions
強勁動力,專為大型基礎工程打造
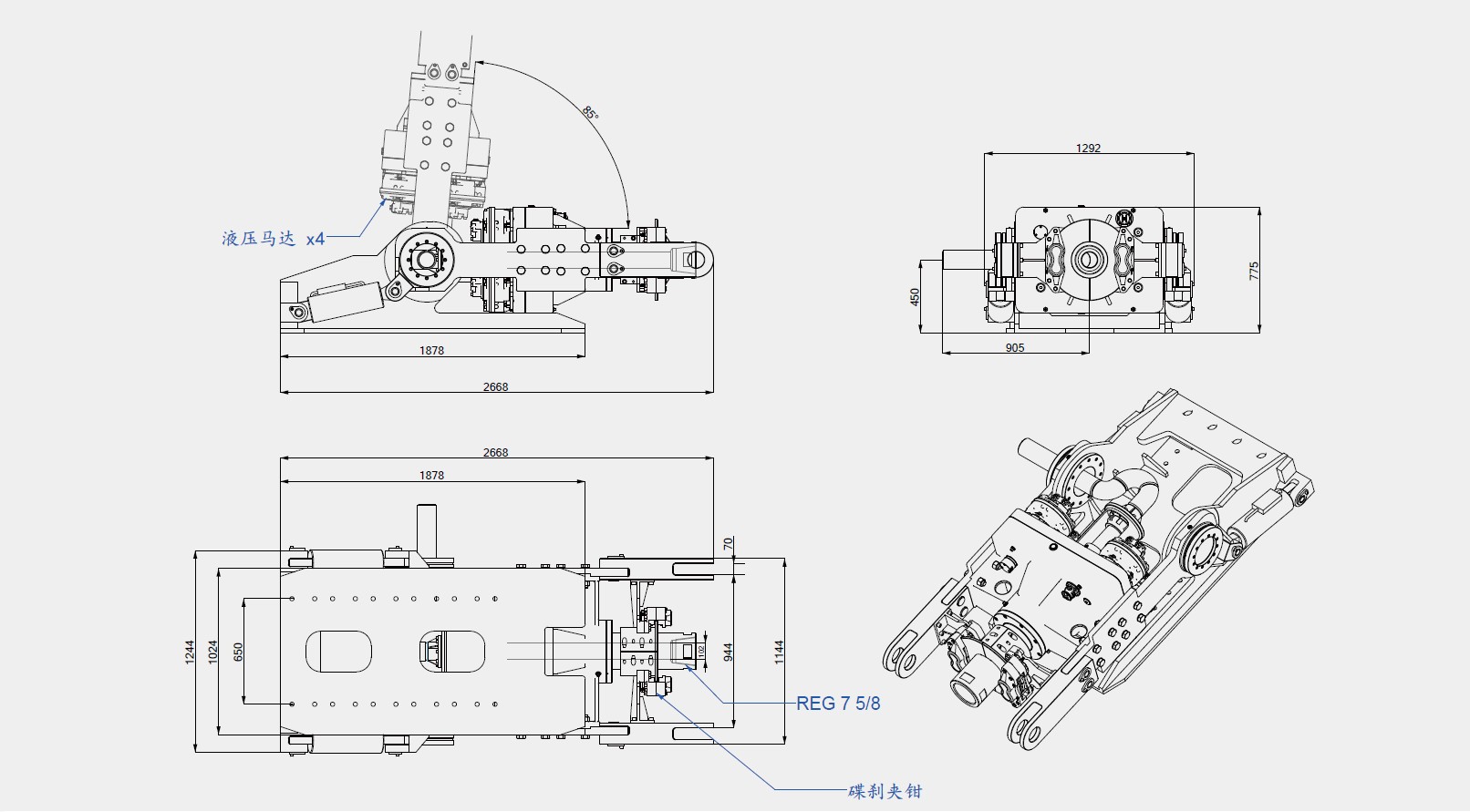
YONDA YDR1000T 旋挖動力頭,專注於滿足大型基樁工程對高扭矩與高可靠性的需求。其堅固設計與高效液壓系統,讓施工單位能在各種複雜地層條件下保持穩定作業。
核心特點:
高扭矩輸出:適合大直徑、深孔樁基施工
高效液壓系統:提供持續、穩定的動力
模組化設計:便於安裝與後期維護
適應多種地層:軟土、砂礫、卵石層與風化岩皆可應對
廣泛應用:陸上工程(地鐵、橋梁、摩天大樓)、水上平台(港口、碼頭、跨海大橋)

產品參數Parameter




